详细信息

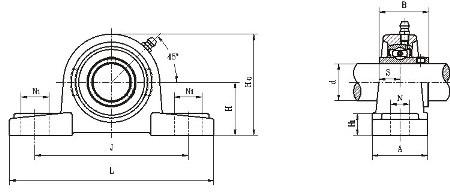
| 尺寸 Dimensions(mm)(inch) | - H57.2
- L206
- J159
- A60
- N20
- N125
- H121
- H2114
- S19.0
- B51.6
|
|---|
| 螺栓 Bolt Used (mm) (in.) | - 螺栓 Bolt Used (mm) (in.)M16
|
|---|
| 芭乐视频色版在线观看 代号 Bearing No. | - 芭乐视频色版在线观看 代号 Bearing No.UC210
|
|---|
无锡斯艾浮传动机械有限公司专业生产销售300度/500度耐高温外球面芭乐视频色版在线观看座UCP210,UCP210相关信息有: 型号UCP210 内径:50 外径:206 厚度:57.2品牌:SIAIF 系列:耐高温外球面芭乐视频色版在线观看座 ,想要更多的了解UCP210的相关信息,可以进行在线咨询或者拨打热线电话 ,芭乐视频APP黄版会详细为您服务。
300度/500度耐高温带座外球面芭乐视频色版在线观看UCP210使用范围很广,耐高温外球面芭乐视频色版在线观看座UCP210主要应用于工程机械、机床、汽 车、冶金、矿山、石油、机械、电力、铁路等行业,本公司生产销售的耐高温带座外球面芭乐视频色版在线观看UCP210价格合理,保证质量,全方面的服务,尽一切满足客户的需求。
高温带座外球面芭乐视频色版在线观看选鲁岳不锈钢芭乐视频色版在线观看(无锡)有限公司,高温带座外球面芭乐视频色版在线观看厂家主要生产SIAIF耐高温芭乐视频色版在线观看、不锈钢芭乐视频色版在线观看、高温带座外球面芭乐视频色版在线观看,高温带座外球面芭乐视频色版在线观看 UCP210产品相关信息:型号:UCP210, 品牌:SIAIF芭乐视频色版在线观看 , 类型:高温带座外球面芭乐视频色版在线观看 , 内径:50mm , 外径:51.6mm , 厚度:208mm , 想要更多的了解无锡高温带座外球面芭乐视频色版在线观看 UCP210的相关产品信息,可以拨打服务热线 ,芭乐视频APP黄版会为您详细介绍产品的相关服务。
鲁岳不锈钢芭乐视频色版在线观看(无锡)有限公司生产的SIAIF高温带座外球面芭乐视频色版在线观看 UCP210 使用范围很广,主要应用于钢厂冶金、玻璃、高炉、喷漆设备、矿山机械、输送机、传输装置、锅炉风机、真空设备、窑炉窑车、机床设备、工程机械、、输送设备、颗粒机、振动筛、汽车、石油、电力、电机、风电设备等高温作业机械。本公司生产的高温带座外球面芭乐视频色版在线观看 UCP210>产品价格合理,保证质量,满足客户的产品工艺需求。